Termékek
Permetezőfúvókák

Szántóföldi fúvókák
Ültetvényes fúvókák
Folyékony műtrágya fúvókák
Speciális fúvókák
Tartálytisztító fúvókák
Hasznos képletek
Fúvóka kalkulátor
Alkatrészek
Mezőgazdasági csapágyak
Tárcsa csapágyak
Mélyhornyú golyóscsapágyak
Beálló golyóscsapágyak
Ferde hatásvonalú golyóscsapágyak
Kúpgörgős csapágyak
Hengergörgős csapágyak
Y-csapágyak
Permetezőgép diagnosztika
Védőfelszerelések
Baktérium kijuttató eszközök
Baktérium készítmények
Vetőgép alkatrészek
Csomagajánlatok
Forgalmazott márkáink:
TOP termékek:
Főoldal/ Alkatrészek / Szántóföldi permetező/ Szívó- és nyomóág/ Szívószűrő/ Nem elzárható/ 100M szívószűrő 5/4"K
100M szívószűrő 5/4"K
Cikkszám: 8077006
Gyártó: GEOLINE
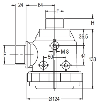
Robusztus kialakítású szívószűrő, mely 120 liter/perc áteresztő kapacitású szűrőházból és 100 Mesh finomságú Inox szűrőbetétből áll.
Árak megtekintéséhez jelentkezzen be!
BejelentkezésRegisztráció

|
Cikkszám:
|
F
|
Szűrő finomsága
|
H
|
Felület | ||
|
cm²
|
Sq.in.
|
|||||
|
1"1/4
|
INOX 32 Mesh
|
24
|
86
|
13,3
|
||
|
INOX 50 Mesh
|
79
|
12,3
|
||||
|
INOX 80 Mesh
|
72
|
11,2
|
||||
|
INOX 100 Mesh
|
76
|
12
|
||||
|
1"1/4
|
INOX 32 Mesh
|
40
|
86
|
13,3
|
||
|
INOX 50 Mesh
|
79
|
12,3
|
||||
|
INOX 80 Mesh
|
72
|
11,2
|
||||
|
INOX 100 Mesh
|
76
|
12
|
||||
| Szűrőbetét: | |||
![]()
|
Cikkszám: |
Szűrő finomsága
|
Tömítés
|
|
INOX 32 Mesh
|
G00001040
|
||
|
INOX 50 Mesh
|
|||
|
INOX 80 Mesh
|
|||
|
INOX 100 Mesh
|
|||
Jelenleg nincs hozzászólás a termékhez.
Hozzászóláshoz kérjük jelentkezzen be! Legyen Ön az első, aki megosztja véleményét, hozzászólását!
vissza a(z) Nem elzárható kategóriához
Fúvóka kalkulátor

Akciós termékek:
- ID-12003 POM fúvóka
- OC 4-446 MESS fúvóka
- 2 állású golyóscsap 5/4"BB
- 2 állású golyóscsap 5/4"KB
- 2 állású golyóscsap 1 1/2"BB
- 5 állású szórófejtest 1/2"-os csőre
- 1 állású szórófejtest 1"-os csőre
- 5 állású szórófejtest 3/4"-os csőre
- 3 állású golyóscsap 1"KBB
- 3 állású golyóscsap 1 1/2"BBB elzáró
